Le roulement à bride HZ-GFM combine la capacité de charge radiale avec le contrôle de l'alignement axial, grâce à sa conception de bride intégrée. Fabriqué à partir de polymères stabilisés à la chaleur, il résiste aux chocs intermittents et au désalignement des liaisons automobiles, des amortisseurs CVC ou des systèmes de manutention.
Fonctionnalités principales
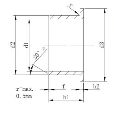
Conception de bride : empêche la dérive axiale ; simplifie le montage dans des boîtiers en matériaux souples.
Matériau : PA66 ou PEEK renforcé de fibres de verre pour une résistance aux températures élevées (jusqu'à 180°C à court terme).
Installation : Compatible avec les outils d'ajustement par pression (par exemple, série PT-1350) pour un assemblage rapide.
Applications : boîtiers de pompe, guides d'actionneurs électriques et rouleaux de convoyeur nécessitant une stabilité bidirectionnelle.















