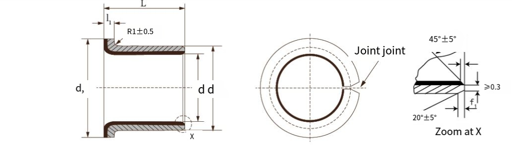
Unité : mm
| Diamètre de l'arbre. f7 | Logement H7 | Numéro de code | Taille | f 1 | f 2 | ||||
| d₁ | d₂ | d₃ ±0,25 | L ± 0,25 | C₁-0,2 | |||||
| -0,013 6 -0,028 | 8 0.015 | 06040 | 6 | 8 | 12 | 4 | 1 | 0.6 | 0.3 |
| 06070 | 7 | ||||||||
| -0,013 8 -0,028 | 10 0.015 | 08055 | 8 | 10 | 15 | 5.5 | |||
| 08075 | 7.5 | ||||||||
| -0,016 10 -0,034 | 12 0.018 | 10070 | 10 | 12 | 18 | 7 | |||
| 10090 | 9 | ||||||||
| 10120 | 12 | ||||||||
| -0,016 12 -0,034 | 14 0.018 | 12070 | 12 | 14 | 20 | 7 | |||
| 12090 | 9 | ||||||||
| 12120 | 12 | ||||||||
| -0,016 14 -0,034 | 16 0.018 | 14120 | 14 | 16 | 22 | 12 | |||
| 14170 | 17 | ||||||||
| -0,016 15 -0,034 | 17 0.018 | 15090 | 15 | 17 | 23 | 9 | |||
| 15120 | 12 | ||||||||
| 15170 | 17 | ||||||||
| -0,016 16 -0,034 | 18 0.018 | 16120 | 16 | 18 | 24 | 12 | |||
| 16170 | 17 | ||||||||
| -0,016 18 -0,034 | 20 0.021 | 18120 | 18 | 20 | 26 | 12 | |||
| 18170 | 17 | ||||||||
| 18200 | 20 | ||||||||
| -0,020 20 -0,041 | 23 0.021 | 20115 | 20 | 23 | 30 | 11.5 | 1.5 | 0.6 | 0.4 |
| 20165 | 16.5 | ||||||||
| 20215 | 21.5 | ||||||||
| -0,020 22 -0,041 | 25 0.021 | 22150 | 22 | 25 | 32 | 15 | |||
| 22200 | 20 | ||||||||
| -0,020 25 -0,041 | 28 0.021 | 25115 | 25 | 28 | 35 | 11.5 | |||
| 25165 | 16.5 | ||||||||
| 25215 | 21.5 | ||||||||
| -0,025 30 -0,050 | 34 0.025 | 30160 | 30 | 34 | 42 | 16 | 2 | 1.2 | 0.4 |
| 30260 | 26 | ||||||||
| -0,025 35 -0,050 | 39 0.025 | 35160 | 35 | 39 | 47 | 16 | |||
| 35260 | 26 | ||||||||
| -0,025 40 -0,050 | 44 0.025 | 40260 | 40 | 44 | 53 | 26 | |||
| 40400 | 40 | ||||||||

Nous vous répondrons dans les 12 heures suivant la journée ouvrable.
Huazhou se spécialise dans la recherche et le développement, la production, la vente et le service de produits à roulements autolubrifiants en tant que l'une des grandes entreprises globales.
Huazhou est équipé d'équipements et de personnel de R&D haut de gamme et dispose de plus de 200 ensembles d'équipements de différentes tailles, notamment des machines à bobiner, des poinçonneuses, des machines à chanfreiner entièrement automatiques, des machines à bobiner entièrement automatiques, des lignes de frittage de matières premières, etc. Les échantillons sont produits en 3 jours, avec une production quotidienne de 500 000 pièces et une production annuelle de centaines de millions de pièces.
L'introduction de plus de 260 équipements spéciaux, équipés de dizaines de milliers de moules, de plus de 150 professionnels et de 30 lignes de production automatiques.
Nos ventes de produits dans diverses provinces de Chine et largement utilisées dans diverses industries de machines, Volkswagen, BYD, etc., et avec les normes internationales, exportations vers la Russie, la Malaisie, la Tasanie, l'Irak, la Roumanie et 16 autres pays.
